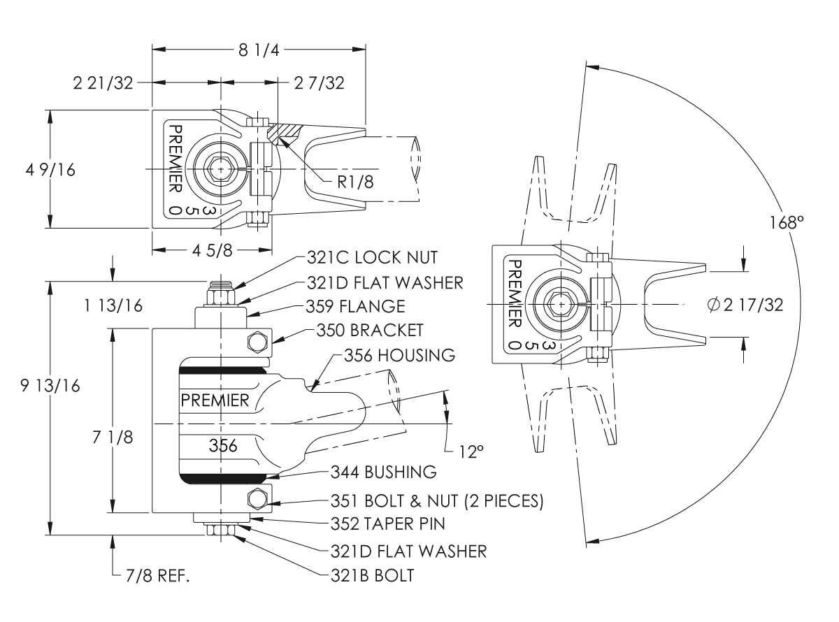
330 & 330A Hinge Assemblies

Premier’s 330 & 320A Hinge Assemblies are available with either rubber or poly bushings. This assembly can be purchased as a PAIR of hinges only. Check out the Installation Guide and Service Guidelines tabs below for additional information!
Designed For: 2 1/2 inch (64 mm) round tubing.

Category:

Description

MODELS

Model #Part #DescriptionParts Included per HINGE
33010000948 PAIR Hinges, Rubber Bushings321B Bolt, 321C Locknut, 321D Flat Washer (2), 344 Bushing, 350 Bracket, 351 Bolt/Nut (2), 352 Taper Pin, 356 Housing, 359 Flange
330A10000950 PAIR Hinges, Poly Bushings321B Bolt, 321C Locknut, 321D Flat Washer (2), 344A Bushing, 350 Bracket, 351 Bolt/Nut (2), 352 Taper Pin, 356 Housing, 359 Flange

SPECIFICATIONS

Max. Gross Trailer Weight (PAIR):100,000 lbs. (45,359 kg)
Unit Weight (PAIR):50.5 lbs. (22.9 kg)

REPLACEMENT PARTS

Model #Part #Description
321B10000945Bolt
321C10000946Locknut
321D10000947Flat Washer
34410000951Bushing, Rubber
344A10000952Bushing, Poly
35010000953Bracket
351*10004756Bolt & Nut*Includes Bolt (1) & Nut (1)
352*10000957Taper Pin*Includes 321B (1), 321C (1), 321D (2)
35610000962Housing
35910000964Flange

REPLACEMENT PART SPECIFICATIONS

Model #Inside DiameterOutside DiameterLength
344Tapered Bore3 1/2 in.4 1/2 in.
344ATapered Bore3 1/2 in.4 1/2 in.
  • Custom Truck Accessories

    344 Rubber Bushing

    Premier’s 344 Bushing is made of rubber and can be ordered for replacement in our 320 & 330 Hinge Assemblies. Rubber is our standard bushing material and is suitable for most applications. However, you can check out the Similar or Alternatives tab below for ordering information on poly bushings which have a longer service life.  You can also access …

  • Custom Truck Accessories

    344A Polyurethane Bushing

    Premier’s 344A Polyurethane Bushing can be ordered for replacement for our 320A & 330A Hinge Assemblies. Polyurethane bushings typically yield 2-to-3 times the service life of rubber.  This makes them ideal and highly recommended for use in off-road and severe applications. Check out the Similar or Alternatives tab below to access important service information on the 320, 320A, 330, …

You Might Also Like:

Panelite Bug Shields, Cab Panels and more

Minimizer Fenders, Floor Mats, and more

Viking Mud Flaps

Betts HD mud Mud flap Hangers