556 Front End Housings

The 556 Front End Housings from Premier Manufacturing are exceptional additions to your trucking equipment arsenal. They were designed for use with our 207SE, 307SE, 405SE, and 407SE Swivel Drawbar Eyes. Available with either rubber or poly bushings, the 556 is the perfect front end for a variety of your hauling needs. Check out the Compatible Drawbar Eyes tab below for complementary components and the Installation Guide tab for more information!

Description

MODELS

Model #Part #Parts IncludedCompatible Drawbar Eyes
556A10000886556 Housing, 349SE Washer, P205 Rubber Bushings (2)207SE, 307SE, 405SE
556B10000887556 Housing, 349SE Washer, P205A Poly Bushings (2)207SE, 307SE, 405SE
556R10000888556 Housing, 407W Washer, R205 Rubber Bushings (2)407SE

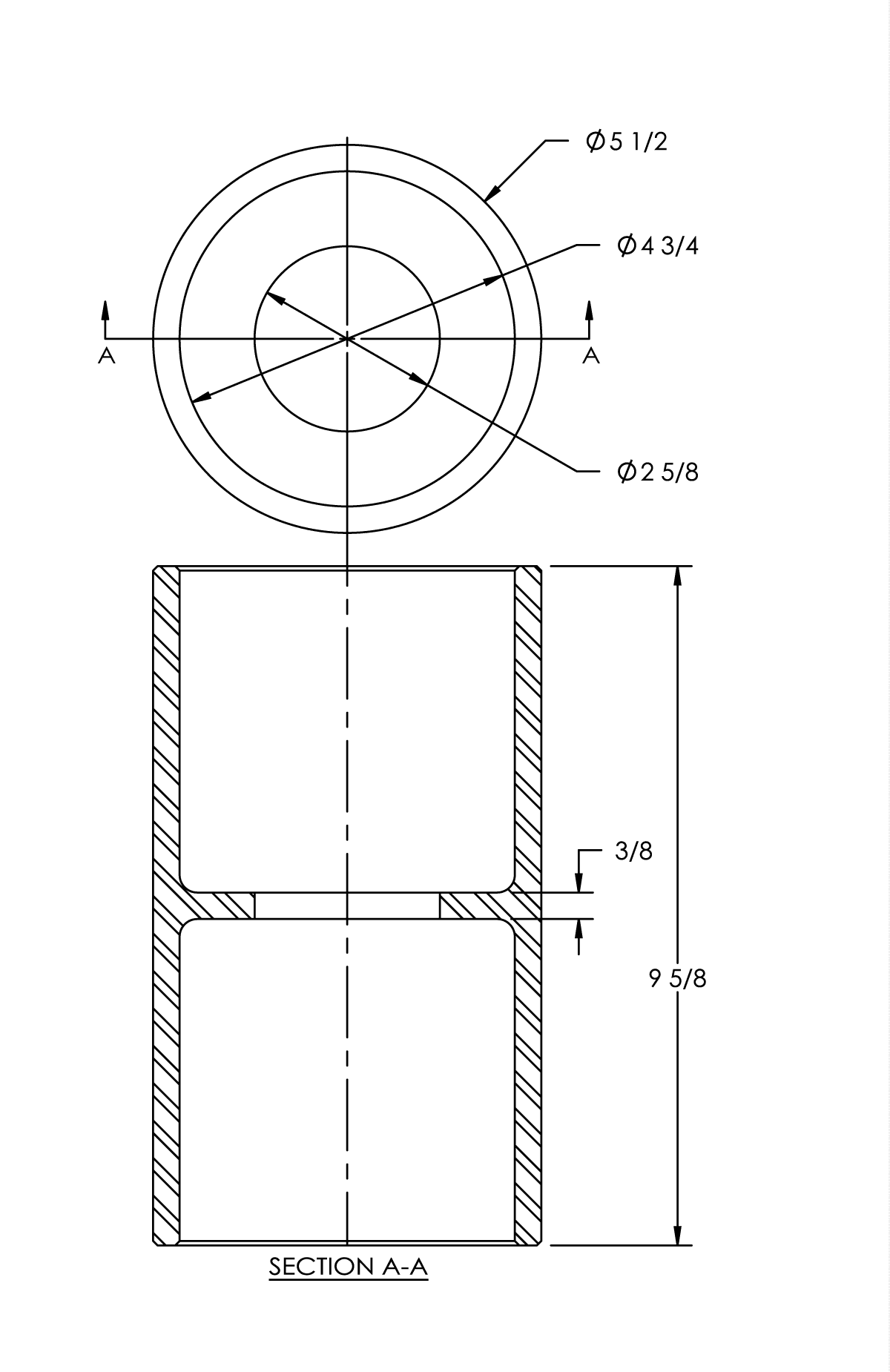
556 HOUSING SPECIFICATIONS

Inside Diameter:2 5/8 in.
Outside Diameter:5 1/2 in.
Length:9 5/8 in.

REPLACEMENT PARTS

Model #Part #Description
349SE10000859Washer
407W10000850Washer (for 546R only)
P20510000939Bushing, Rubber
P205A10000938Bushing, Poly
R20510000940Bushing (for 556R only)
55610000885Housing Only

REPLACEMENT PART SPECIFICATIONS

Model #Inside DiameterOutside DiameterLength
349SE2 in.5 in.
407W2 33/64 in.5 in.
P2052 in.4 3/4 in.5 3/16 in.
P205A2 in.4 3/4 in.5 3/16 in.
R2052 1/2in.4 3/4 in.5 3/16 in.
  • Custom Truck Accessories

    P205 Rubber Bushing

    Premier’s P205 Rubber Bushing can be ordered for replacement in our 546A and 556A Front End Assemblies. Rubber is our standard bushing material and is suitable for most applications. However, you can check out the Similar or Alternatives tab below for ordering information on poly bushings which have a longer service life.
    NOTE:  Each Front End Assembly requires (2) …

  • Custom Truck Accessories

    P205A Polyurethane Bushing

    Premier’s P205A Poly Bushing can be ordered for replacement in our 546B and 556B Front End Assemblies. Polyurethane bushings typically yield 2 to 3 times the service life of rubber. They are ideal and highly recommended for use in off-road and/or severe applications. Check out the Similar or Alternatives tab below to access important service and product details on the …

  • Custom Truck Accessories

    R205 Rubber Bushing

    The R205 Rubber Bushing can be ordered for replacement in our 546R and 556R Front End Assemblies.  Both Front Ends are designed for use with our 407SE Swivel Drawbar Eye only and are available with rubber bushings only.
    NOTE: Each Front End Assembly requires (2) Bushings & (1) Washer

  • Drawbar Eyes

    207 Swivel Drawbar Eyes

    Our 207 Swivel Drawbar Eyes are only to be used with Premier Front End Housings.  Bushings are not

  • Drawbar Eyes

    307 Swivel Drawbar Eyes

    Premier’s 307 Swivel Drawbar Eyes are only to be used with our Front End Housings.  Bushings are not included.  Check out the Optional Accessories tab to access our selection of front ends which include the housing, bushings, and washer.  With a maximum gross trailer weight of 150,000 lbs., the 307 is perfect for a variety of heavy-duty …

  • Drawbar Eyes

    405 Bolt On Swivel Slack Reducing Drawbar Eyes

    Our 405 Swivel Drawbar Eyes are only to be used with Premier Front End Housings.  Bushings are not included.  Check out the Optional Accessories tab to access our selection of front ends which include the housing, bushings, and washer.
    This Drawbar Eye is also Slack-Reducing! It can be used with Premier’s 500 Mechanical Slack Adjuster or  281 and 282 …

  • Drawbar Eyes

    407SE Swivel Drawbar Eye

    Our 407SE Swivel Drawbar Eye is only to be used with Premier Front End Housings.  Bushings are not included.  Check out the Optional Accessories tab to access more information on our 546R & 556R Front Ends which include the housing, bushings, and washer.  The 407SE Swivel Drawbar Eye from Premier Manufacturing has a maximum gross trailer weight of …

You Might Also Like:

Panelite Bug Shields, Cab Panels and more

Minimizer Fenders, Floor Mats, and more

Viking Mud Flaps

Betts HD mud Mud flap Hangers