640S & 640SA Front End Housings

The 640S & 640SA Front End Housings are the perfect addition to your trucking arsenal.  They are available with either rubber or poly bushings.  The 640S & 640SA were designed for use with our 207S, 307S, and 405S Swivel Drawbar Eyes only. Check out the Compatible Drawbar Eyes  tab below for complementary components and the Installation Guide tab for more information!

Accepts 2 1/2 in. (64 mm) round tubing.

Description

MODELS

Model #Part #Parts IncludedCompatible Drawbar Eyes
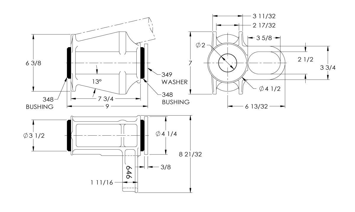
640S10000889646 Housing, 349 Washer, 348 Rubber Bushings (2)207S, 307S, 405S
640SA10000891646 Housing, 349 Washer, 348A Poly Bushings (2)207S, 307S, 405S

646 HOUSING SPECIFICATIONS

Outside Diameter:
Length:
Unit Weight:18.7 lbs. (8.5 kg)

REPLACEMENT PARTS

Model #Part #Description
34810000857Bushing, Rubber
348A10000856Bushing, Poly
34910000858Washer
64610000892Housing

REPLACEMENT PART SPECIFICATIONS

Model #Inside DiameterOutside DiameterLength
3482 in.3 1/2 in.3 1/2 in.
348A2 in.3 1/2 in.3 1/2 in.
3492 1/16 in.4 1/4 in.
  • Custom Truck Accessories

    348 Rubber Bushing

    Premier’s 348 Rubber Bushing can be ordered for replacement in our 340S and 640S Front End Assemblies. Rubber is our standard bushing material and is suitable for most applications. However, you can check out the Similar or Alternatives tab below for ordering information on our 348A Poly Bushings which have a longer service life.
    NOTE: Each Front End …

  • Custom Truck Accessories

    348A Polyurethane Bushing

    The 348A Poly Bushing can be ordered for replacement in our 340SA and 640SA Front End Assemblies. Polyurethane bushings typically yield 2 to 3 times the service life of rubber. They are ideal and highly recommended for use in off-road and/or severe applications. Check out the Similar or Alternatives tab below to access important service information on the 340SA & …

  • Drawbar Eyes

    207 Swivel Drawbar Eyes

    Our 207 Swivel Drawbar Eyes are only to be used with Premier Front End Housings.  Bushings are not

  • Drawbar Eyes

    307 Swivel Drawbar Eyes

    Premier’s 307 Swivel Drawbar Eyes are only to be used with our Front End Housings.  Bushings are not included.  Check out the Optional Accessories tab to access our selection of front ends which include the housing, bushings, and washer.  With a maximum gross trailer weight of 150,000 lbs., the 307 is perfect for a variety of heavy-duty …

  • Drawbar Eyes

    405 Bolt On Swivel Slack Reducing Drawbar Eyes

    Our 405 Swivel Drawbar Eyes are only to be used with Premier Front End Housings.  Bushings are not included.  Check out the Optional Accessories tab to access our selection of front ends which include the housing, bushings, and washer.
    This Drawbar Eye is also Slack-Reducing! It can be used with Premier’s 500 Mechanical Slack Adjuster or  281 and 282 …

You Might Also Like:

Panelite Bug Shields, Cab Panels and more

Minimizer Fenders, Floor Mats, and more

Viking Mud Flaps

Betts HD mud Mud flap Hangers