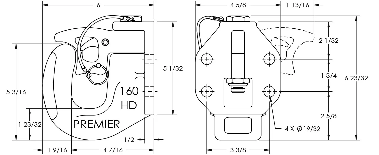
160HD Coupling

With the same unique latching as our 150 & 160 Couplings, the 160HD offers a compact profile for tight places. It is ideal for dolly haul back and other light-to-medium duty applications. The 160HD uses 9.16″ mounting holes, whereas the 160 uses 1/2′ mounting holes. With a maximum gross trailer weight of 40,000 lbs. and 5,000 lbs. latch capacity, Premier’s 160HD is perfect for your everyday trucking needs. Be sure to check out the Accessory & Replacement Parts to get the correct bolt kit for installation.

Description

MODELS

Model #Part #Description
160HD10001093160HD Coupling

ACCESSORY & REPLACEMENT PARTS

Model #Part #Description
150PK10001075Parts Kit
159HD10000442Bolt Kit for Tailboard up to 3/4 in.
159HD-L10000446Bolt Kit for Tailboard 3/4 in. to 1 in.
1402610000071Wear Gage, Latch Gage Bar
1403510000078Wear Gage

SPECIFICATIONS

Maximum Gross Trailer Weight40,000 lbs (18,144 kg)
Maximum Tongue Weight6,500 lbs (2,948 kg)
Ultimate Latch Capacity5,000 lbs (2,268 kg)
Maximum Eye X-Section1 13/16 in. (46 mm)
Minimum Eye Opening2 in. (51 mm)
Unit Weight14.4 lbs. (6.5 kg)
  • Custom Truck Accessories

    150PK Parts Kit

    <span data-sheets-value="{"1":2,"2":"The 150pk parts kit is your parts replacement kit for our 150 and 160 couplings. Get this exceptional parts bundle today to enhance your trucking and hauling equipment."}" ...

  • Custom Truck Accessories

    Bolt Kits

    Premier’s individually packaged Bolt Kits make the hardware selection for your Coupling and/or Drawbar Eye fast and easy. All kits (except 159** & 511**) use coarse threaded Grade-8 fasteners and Grade-C crimp style locknuts, for a strong and secure mounting system.  You can access the Installation, Inspection, Operation, and Maintenance guides which contain important information on each of our …

  • Custom Truck Accessories

    Wear Gages

    <span data-sheets-value="{"1":2,"2":"To determine wear limits, Premier Manufacturing created wear gages that help judge the useful life of couplings, pintle hitches, and drawbar eyes. Available as a complete kit or individually, these gages are easy to use and are a must for maintenance managers and safety personnel.\nIn accordance with Premier Manufacturing and the Federal Motor Carrier Safety Regulations, these were ...

Below are the Compatible Drawbar Eyes, to see the full reference chart click here.
  • Drawbar Eyes

    8 Weld-On Drawbar Eye

    Premier’s 8 Weld-On Drawbar Eye has a maximum gross trailer weight of 100,000 lbs. Check out the Installation Guide below for more information and order from your local distributor today!
    D<span data-sheets-value="{"1":2,"2":"The 110 weld-on slack reducing drawbar eye is perfect for your every day trucking needs. This slack reducing eye was designed for 2 1/2 inch (64 mm) ...

  • Drawbar Eyes

    6 Weld-On Drawbar Eye

    Premier’s 6 Weld-On Drawbar Eye is a great choice for all of your trucking needs. With a maximum gross trailer weight of 100,000 lbs. and a maximum tongue weight of 15,000 lbs. Order from a distributor today!

  • Drawbar Eyes

    5 Weld-On Drawbar Eye

    The 5 Weld-On Drawbar Eye from Premier Manufacturing is perfect for all of your trucking needs. It has a maximum gross trailer weight of 90,000 lbs. Find a distributor in your area today!

  • Drawbar Eyes

    407SE Swivel Drawbar Eye

    Our 407SE Swivel Drawbar Eye is only to be used with Premier Front End Housings.  Bushings are not included.  Check out the Optional Accessories tab to access more information on our 546R & 556R Front Ends which include the housing, bushings, and washer.  The 407SE Swivel Drawbar Eye from Premier Manufacturing has a maximum gross trailer weight of …

  • Drawbar Eyes

    405 Bolt On Swivel Slack Reducing Drawbar Eyes

    Our 405 Swivel Drawbar Eyes are only to be used with Premier Front End Housings.  Bushings are not included.  Check out the Optional Accessories tab to access our selection of front ends which include the housing, bushings, and washer.
    This Drawbar Eye is also Slack-Reducing! It can be used with Premier’s 500 Mechanical Slack Adjuster or  281 and 282 …

  • Drawbar Eyes

    4 Weld-On Drawbar Eye

    The 4 Weld-On Drawbar Eye from Premier Manufacturing has a maximum gross trailer weight of 90,000 lbs. and a maximum tongue weight of 13,500 lbs. Order this part from a distributor today!

  • Drawbar Eyes

    309 Weld-On Drawbar Eye

    The 309 Weld-On Drawbar Eye by Premier Manufacturing boasts a maximum gross trailer weight of 150,000 lbs. Locate a distributor in your area today!
    Designed For: 4 in. (102 mm) round tubing

  • Drawbar Eyes

    307 Swivel Drawbar Eyes

    Premier’s 307 Swivel Drawbar Eyes are only to be used with our Front End Housings.  Bushings are not included.  Check out the Optional Accessories tab to access our selection of front ends which include the housing, bushings, and washer.  With a maximum gross trailer weight of 150,000 lbs., the 307 is perfect for a variety of heavy-duty …

  • Drawbar Eyes

    305 Weld-On Drawbar Eye

    The 305 Weld-On Drawbar Eye from Premier Manufacturing is designed for rectangular tubing, features a max gross trailer weight of 150,000 lbs. Order from a distributor today!

    Designed For: Rectangular tubing, 2 in. x 4 in. (51 mm x 102 mm) and 4 in. x 4 in. (102 mm x 102 mm)

  • Drawbar Eyes

    304 Weld-On Drawbar Eye

    The 304 Weld-On Drawbar Eye Order from Premier Manufacturing offers a maximum gross trailer weight of 150,000 lbs and a maximum tongue weight of 15,000 lbs. Find a distributor today!

  • Drawbar Eyes

    300HD Bolt-On Drawbar Eye

    Premier’s 300HD Bolt-On Drawbar Eye  Premium Manufacturing that has the same 3” ID as our 300 Drawbar Eye. Our 300 uses 3/4” mounting hardware. Whereas, the 300HD uses 7/8” mounting hardware and has a higher tongue capacity. Check out the Optional Accessories tab below for bolt kit and wear gage information.

  • Drawbar Eyes

    300 Bolt-On Drawbar Eye

    Premier Manufacturing’s 300 bolt-on drawbar eye is an exceptional addition to your trucking needs. It features a maximum gross trailer weight of 100,000 lbs. and a maximum tongue weight of 15,000 lbs. Don’t forget to check the corresponding bolt kit (model# 507) and wear gage (model # 14032) listed under the Optional Accessories tab below. Order from a distributor today!

    <button ...

  • Drawbar Eyes

    3 Weld-On Drawbar Eye

    The 3 weld-on drawbar eye is perfect for all of your trucking needs. With a maximum gross trailer weight of. 70,000 lbs., it can be utilized for a variety of mid-to-heavy-duty applications.

  • Drawbar Eyes

    245DB-3 Bolt-On Drawbar Eye

    The 245DB-3 Bolt-On Drawbar Eye is an exceptional tool for your hauling needs. With a maximum gross trailer weight of 100,000 lbs. and a maximum tongue weight of 8,000 lbs., it is perfect for a variety of mid-to-heavy-duty applications. Don’t forget to check the corresponding wear gage (model # 14005) listed under the Optional Accessories tab below.

    <button class="cswidget" data-csi_utm_campaign="[]" data-csi_utm_medium="[]" ...

  • Drawbar Eyes

    245DB Bolt-On Drawbar Eye

    The 245DB Bolt-On Drawbar Eye is great choice for your trucking needs. With a maximum gross trailer weight of 100,000 lbs. and maximum tongue weight of 8,000 lbs., it is the perfect tool for all of your mid-to-heavy-duty applications.

  • Drawbar Eyes

    238DB Bolt-On Drawbar Eye Product Discontinued

    The 238DB Bolt-On Drawbar Eye is an exceptional tool for your hauling needs. With a maximum gross trailer weight of 100,000 lbs. and a maximum tongue weight of 8,000 lbs., it is perfect for a variety of mid-to-heavy-duty applications. Don’t forget to check the corresponding wear gage (model # 14005) listed under the Optional Accessories tab below.

    <button class="cswidget" data-csi_utm_campaign="[]" data-csi_utm_medium="[]" ...

  • Drawbar Eyes

    23 Weld-On Drawbar Eye

    The 23 Weld-On Drawbar Eye offers a 45 degree, unique …

  • Drawbar Eyes

    22 Weld-On Drawbar Eye

    The 22 Weld-On Drawbar Eye offers a 30 degree “V” angle …

  • Drawbar Eyes

    21 Weld-On Drawbar Eye

    The 21 Weld-On Drawbar Eye …

  • Drawbar Eyes

    207 Swivel Drawbar Eyes

    Our 207 Swivel Drawbar Eyes are only to be used with Premier Front End Housings.  Bushings are not

  • Drawbar Eyes

    205 Weld-On Drawbar Eye

    <span data-sheets-value="{"1":2,"2":"The 205 weld-on drawbar eye from Premier Manufacturing is an exceptional addition to your hauling equipment. It is designed for rectangular tubing that is 2 inches by 4 inches (51 mm x 102 mm) and 4 inches by 4 inches (102 mm x 102 mm). With a maximum gross trailer weight of 100,000 lbs, this drawbar eye is ...

  • Drawbar Eyes

    200L Bolt-On Drawbar Eye

    The 200L Bolt-On Drawbar Eye from Premier Manufacturing is an exceptional addition to your trucking equipment. With a maximum gross trailer weight of 100,000 lbs. and a maximum tongue weight of 15,000 lbs., this bolt-on drawbar eye is perfect for a variety of applications. Check out the Optional Accessories tab below for bolt kit and wear gage information.

    <button class="cswidget" data-csi_utm_campaign="[]" data-csi_utm_medium="[]" ...

  • Drawbar Eyes

    200 Bolt-On Drawbar Eye

    The 200 Bolt-On Drawbar Eye from Premier Manufacturing is the perfect addition to your hauling needs. With a maximum gross trailer weight of 100,000 lbs. and a maximum tongue weight of 15,000 lbs., the 200 bolt-on drawbar eye is suitable for a variety of mid-to-heavy-duty applications.  Don’t forget to check the corresponding bolt kit (model# 507) and wear gage (model …

  • Drawbar Eyes

    20 Weld-On Drawbar Eye

    The 20 Weld-On Drawbar Eye from Premier Manufacturing is the …

  • Drawbar Eyes

    2 Weld-On Drawbar Eye

    The 2 weld-on drawbar eye from Premier Manufacturing is the perfect addition to your trucking arsenal. With a maximum gross trailer weight of 12,000 lbs. and maximum tongue weight of 1,800 lbs., it’s a great little tool for your light-duty hauling needs.

  • Drawbar Eyes

    123 Weld-On Slack Reducing Drawbar Eye

    The 123 Weld-On …

  • Drawbar Eyes

    110 Weld-On Slack Reducing Drawbar Eye

    The 110 Weld-On Slack Reducing …

  • Drawbar Eyes

    108 Weld-On Drawbar Eye

    The 108 Weld-On Drawbar Eye boasts a maximum gross trailer weight of 100,000 lbs. …

You Might Also Like:

Panelite Bug Shields, Cab Panels and more

Minimizer Fenders, Floor Mats, and more

Viking Mud Flaps

Betts HD mud Mud flap Hangers