Description
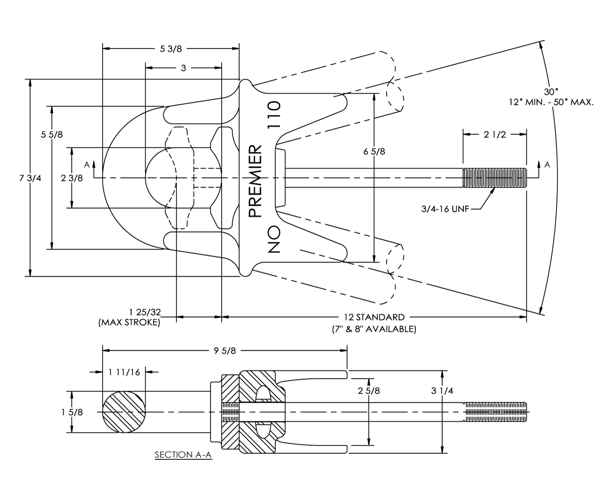
MODELS
| Model # | Part # | Parts Included |
| 110-7 | 10000710 | 110 Drawbar Eye, 411 Shoe, 113B Pushrod |
| 110-8 | 10000711 | 110 Drawbar Eye, 411 Shoe, 113A Pushrod |
| 110-12 | 10000709 | 110 Drawbar Eye, 411 Shoe, 113 Pushrod |
110 SPECIFICATIONS
| Maximum Gross Trailer Weight | 100,000 lbs. (45,359 kg) |
| Maximum Tongue Weight | 15,000 lbs. (6,804 kg) |
| Inside Diameter | 2 3/8 in. (60 mm) |
| Unit Weight | 16.5 lbs. (7.5 kg) |
ACCESSORY & REPLACEMENT PARTS
| Model # | Part # | Description |
| 110C | 10000712 | Bushing, Pushrod Guide |
| 113 | 10000716 | Pushrod, 12 in. |
| 113A | 10000717 | Pushrod, 8 in. |
| 113B | 10000718 | Pushrod, 7 in. |
| 281 | 10000116 | Air Chamber, Type 24 |
| 281J | 10000006 | Jam Nut (fits 281 & 282 Air Chamber Pushrods) |
| 282 | 10000122 | Air Chamber, Type 30 |
| 47 | 10000144 | Coupler |
| 47L | 10000145 | Coupler, Left-hand threads |
| 47SPL | 10000146 | Coupler |
| 411 | 10000010 | Shoe |
| 500 | 10000147 | Mechanical Slack Adjuster |
| 525 | 10000173 | Jam Nut (fits 113 Pushrods) |
| 525L | 10000174 | Jam Nut, Left-hand threads (fits 113 Pushrods) |
| 14005 | 10000053 | Wear Gage |
| 14032 | 10000075 | Wear Gage |
REPLACEMENT PART SPECIFICATIONS
| Model # | Length: | Thread: |
| 113B | 7 in. (178 mm) | 3/4 in - 16 NF |
| 113A | 8 in. (203 mm) | 3/4 in - 16 NF |
| 113 | 12 in. (305 mm) | 3/4 in - 16 NF |
| 47 | 3 5/8 in. | 1 1/16 HEX |
| 47L | 3 5/8 in. | 1 1/16 HEX |
| 47SPL | 6 in. | 1 1/16 HEX |
-
Custom Truck Accessories
281 & 282 Air Chambers
Premier’s 281 & 282 are not your typical Air Chambers! They are built to last in the rigorous service of …Custom Truck Accessories
47 Series Couplers
Premier’s 47 Series Couplers are used to connect the Air Chamber Pushrod to the Drawbar Eye Pushrod. Specifically, the pushrod of a Premier Slack-Reducing Drawbar Eye (Model #’s 110, 123, 127). Be sure to check out the Accessory Parts box for additional items you may need for installation.Custom Truck Accessories
500 Mechanical Slack Adjuster
Premier’s 500Â Mechanical Slack Adjuster is a complete assembly intended for use with any Premier Slack Adjusting Drawbar eye. It is designed to be used in place of 281 or 282 Air Chambers. No plumbing of air lines and simple operation make for an easy install and minimal maintenance. Check out the Similar or Alternatives and Optional …Custom Truck Accessories
Wear Gages
<span data-sheets-value="{"1":2,"2":"To determine wear limits, Premier Manufacturing created wear gages that help judge the useful life of couplings, pintle hitches, and drawbar eyes. Available as a complete kit or individually, these gages are easy to use and are a must for maintenance managers and safety personnel.\nIn accordance with Premier Manufacturing and the Federal Motor Carrier Safety Regulations, these were ...Below are the Compatible Couplings, to see the full reference chart click here.
-
Pintle Hitch & Couplings
130 Coupling
<span data-sheets-value="{"1":2,"2":"Popular for dolly haul back, the 130 model is ideal for light-to-medium duty applications. Like many of our couplings, the 130 model features a strong strike-resistant latching system that is easy to maintain and operate. The 130 coupling offers a 30,000 lbs. maximum gross trailer weight and 20,000 lbs. latch capacity, making it perfect for all of your ...Pintle Hitch & Couplings
135NT Swivel Coupling
<span data-sheets-value="{"1":2,"2":"Utility companies, construction, agricultural, and military operations will all benefit from Premier Manufacturing's 135NT swivel couplings. Swivel action eliminates torque between mated vehicles when traveling over rough, uneven terrain. Please note that this product should not be used with a swivel-type drawbar eye. The 135NT swivel coupling is perfect for light-to-medium duty applications to make hauling easy and ...Pintle Hitch & Couplings
150 & 150-1 Combination Couplings
<span data-sheets-value="{"1":2,"2":"One of Premier Manufacturing's most unique and versatile couplings is our popular 150 combination coupling. Whether you need to pull a trailer with an eye or ball connection, the 150 coupling can do the job. Our patented side-swing latch helps prevent tailgate damage and keeps the profile compact. With a maximum gross trailer weight of 20,000 lbs. and ...Pintle Hitch & Couplings
16 Pin & Clevis Coupling
<span data-sheets-value="{"1":2,"2":"Premier's pin and clevis 16 model coupling is simple in design yet offers high pull capacity for its size. This model is often used for dolly haul back, industrial, and agricultural operations. The 16 pin and clevis coupling can even be mounted on the front bumper of tractors for emergency towing or recovery operations. With a maximum gross ...Pintle Hitch & Couplings
160 Coupling
<span data-sheets-value="{"1":2,"2":"With the same unique latching as our 150 model, the 160 coupling offers a compact profile for tight places. Ideal for dolly haul back and other light-to-medium applications, this product is perfect for all of your trucking needs. With a 30,000 lbs. maximum gross trailer weight and 5,000 lbs. latch capacity, you're sure to make great use of ...Pintle Hitch & Couplings
2200/2200L Slack Reducing Coupling
<span data-sheets-value="{"1":2,"2":"The 2200 model, like our ever-popular 270 coupling, features the most popular mounting bolt pattern in the industry. All of our 2000 series couplings offer exceptional latch strength, easy operation, and low maintenance. All 2000 series couplings can be operated with or without an air service chamber. With a maximum gross trailer weight of 100,000 lbs., the 2200 ...Pintle Hitch & Couplings
2300/2300EL Slack Reducing Coupling
<span data-sheets-value="{"1":2,"2":"Popular with tanker fleet customers, the 2300 slack reducing coupling can be used throughout the industry. Like our 2200 model, the 2300 is also made from Permalloy for long life. As with all 2000 series couplings, the 2300 offers unsurpassed latch strength and can be operated with or without an air service chamber. Each coupling has a maximum ...Pintle Hitch & Couplings
235NT Swivel Coupling
<span data-sheets-value="{"1":2,"2":"Premier's 235NT swivel coupling is more heavy-duty than out 135NT swivel for those extra tough jobs. When rough, uneven ground is a problem, the 235NT swivel may be the answer. Note that this coupling is not to be used with swivel-type drawbar eyes. With a maximum gross trailer weight of 60,000 lbs. and a 20,000 lbs. latch capacity, ...Pintle Hitch & Couplings
240 Coupling
<span data-sheets-value="{"1":2,"2":"Designed as a direct retrofit to the mounting pattern of our 135NT, the 240 coupling is the perfect choice for your hauling needs. The 240 is built with extra toughness and wear resistant that Permalloy users have come to expect. With a maximum gross trailer weight of 45,000 lbs. and 20,000 lbs. latch capacity, the 240 coupling is ...Pintle Hitch & Couplings
2400/2400EL Slack Reducing Coupling
<span data-sheets-value="{"1":2,"2":"When installation and mounting is limited by bolt hole pattern, the 2400 slack reducing coupling may be the answer. Although one of the bottom three mounting holes must be used, you choose which one. This allows for maximum compatibility with existing mounting patterns. Popular with Pup and Dumps and Tanker applications, all 2000 series couplings can be operated ...Pintle Hitch & Couplings
240K & 240KL Couplings
<span data-sheets-value="{"1":2,"2":"The 240K/240KL coupling is a direct result of customer requests for a King T-22 pintle hitch hook replacement model. Utilizing customer input, this coupling was engineered with a time-tested latch system, which is used on many of our models. This strong, easy to operate, strike-resistant latch system is a proven performer within our product line. The pintle body ...Pintle Hitch & Couplings
270 Slack Reducing Coupling
<span data-sheets-value="{"1":2,"2":"Like the 2200, our 270 slack reducing coupling offers the most popular bolt mounting pattern in the industry. Low profile, wear-resistant Permalloy and quick, easy latching are features that have made the 270 standard with fleets around the world. This coupling must be used with an air service chamber. With a 90,000 lbs. maximum gross trailer weight and ...Pintle Hitch & Couplings
370 Slack Reducing Coupling
The 370 slack reducing coupling is frequently used in dump and pup applications. Our popular 370 model offers users a low profile, high latch strength, and a Premalloy body for maximum wear. This coupling must be used with an air service chamber. With a maximum gross trailer weight of 90,000 lbs., our 370 coupling is perfect for medium-to-heavy duty hauling.
<img ...
Pintle Hitch & Couplings
470 Slack Reducing Coupling Product Discontinued Recommended Replacements: 2400 & 2400EL
Often used in the agricultural industry as well as tankers, the 470 slack reducing coupling offers a similar latching system as our 270, but with a different mounting pattern. This coupling must be used with an air service chamber. With a 90,000 lbs. maximum gross trailer weight and 12,000 lbs. latch capacity, this coupling is perfect for …
Pintle Hitch & Couplings
480 Coupling
<span data-sheets-value="{"1":2,"2":"One of our highest capacity, non-air couplings, the 480 coupling has high strength latch components that are strike-resistant and concealed within the coupling body. Conveniently located grease zerks provide for easy maintenance of internal components. With a maximum gross trailer weight of 130,000 lbs. and 30,000 lbs. latch capacity, the 480 coupling is ideal for all of your ...Pintle Hitch & Couplings
570 Slack Reducing Coupling
When vertical clearance is at a premium, the 570 slack reducing coupling may be your solution. Our 570 offers a bottom mount air chamber, low profile, and strong latching system. An oil cup is provided to quickly and easily lubricate the latch. This coupling must be used with an air service chamber. We recommend our 281C. With a …
Pintle Hitch & Couplings
580J Coupling
<span data-sheets-value="{"1":2,"2":"With the same rugged features of our 580, the 580J coupling offers a higher load rating and slightly different mounting pattern. Protected internal latch parts, easy lubrication, and easy of operation are trademarks of all our 80-series couplings. With a maximum gross trailer weight of 90,000 lbs., you'll be sure to find many users for this exceptional pintle ...Pintle Hitch & Couplings
690L/690R Drop Pintle Coupling
Premier’s 690L Drop Pintle Coupling offers similar features to …Pintle Hitch & Couplings
780 Slack Reducing Coupling Product Discontinued
D I S C O N T I N U E D P R O D U C T – LIMITED QUANTITIESIn stock quantities will be the last orders fulfilled.An extremely strong latching system, low profile and enclosed latch components are what stand out about our 780. Hidden from snow, ice and road debris, the 780’s latch …Pintle Hitch & Couplings
820ELA Extended Life Coupling Assembly
<span data-sheets-value="{"1":2,"2":"Featuring our new SAF-T-LATCH, the 820ELA coupling assembly offers an exceptionally safe, strong, and easy to use latch mechanism, Extended Life (EL) lubrication points, and the mosts popular bolt hole pattern in the industry. The latch mechanism includes a small auxiliary air cylinder that is connected to our 281 or 282 air chamber. This assists in ensuring the ...
Pintle Hitch & Couplings
890C Drop Pintle Coupling Product Discontinued Recommended Replacement: 990 Coupling
890PK and 890PK-NH parts kits available for purchase while supplies last
<span data-sheets-value="{"1":2,"2":"Premier's 890CL and 890CR drop pintle coupling offers a slightly different mounting pattern for compatibility with existing x-members. This product is not to be used or A-Dolly applications. Made with Premalloy, the 890C series offers a maximum gross trailer weight of 90,000 lbs., making it ...Additional information
Eye Type Slack Reducing

















