Description
MODELS
| Model # | Part # | Description | Recommended Replacements |
| 470 | 10004781 | Discontinued - No Longer Available | 2400, 2400EL |
| 470A | 10004783 | Discontinued - No Longer Available | 2400A, 2400ELA |
ACCESSORY & REPLACEMENT PARTS
| Model # | Part # | Description | |
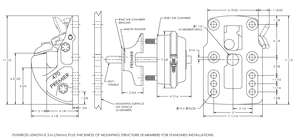
| 271 | 10000106 | Thimble | |
| 281 | 10000116 | Air Chamber | |
| 467 | 10000135 | Air Chamber Adapter Bracker | |
| 470PK | 10000358 | Parts Kit | Limited Quantities - No Longer Available once Inventory is Depleted |
| 508 | 10000155 | Bolt Kit | |
| 14011 | 10000059 | Wear Gage | |
| 14026 | 10000071 | Wear Gage, Latch Gage Bar |
SPECIFICATIONS
| Maximum Gross Trailer Weight | 90,000 lbs. (40,823 kg) | |
| Maximum Tongue Weight | 18,000 lbs. (8,165 kg) | |
| Ultimate Latch Capacity | 12,000 lbs. (5,443 kg) | |
| Maximum Eye X-Section | 1 13/16 in. (46 mm) | |
| Minimum Eye Opening | 2 3/8 in. (60 mm) | |
| Unit Weight | 32.5 lbs. (14.7 kg) |
-
Custom Truck Accessories
271 Thimbles
Premier’s 271 Thimbles are highly wear resistant. They are used on the end of the pushrod …Custom Truck Accessories
281 & 282 Air Chambers
Premier’s 281 & 282 are not your typical Air Chambers! They are built to last in the rigorous service of …Custom Truck Accessories
467 & 767 Air Chamber Brackets
Premier’s 467 & 767 Air Chamber Brackets are designed for use with the Slack Reducing Coupling models listed below. The 467 series is available in three lengths to meet your particular mounting structure requirements. Check out the Optional Accessories tab below for additional installation components and order from Premier today!
Custom Truck Accessories
470PK Parts Kit
The 470PK Parts Kit is to replace components in our 470 & 470H . Although both couplings have been discontinued and are no longer available, we still offer the 470PK Parts Kit to repair units on the road today. Inventory is limited to quantities on hand.
Custom Truck Accessories
Bolt Kits
Premier’s individually packaged Bolt Kits make the hardware selection for your Coupling and/or Drawbar Eye fast and easy. All kits (except 159** & 511**) use coarse threaded Grade-8 fasteners and Grade-C crimp style locknuts, for a strong and secure mounting system. You can access the Installation, Inspection, Operation, and Maintenance guides which contain important information on each of our …
Custom Truck Accessories
Drawbar Guides
Premier’s Drawbar Guides act as an aid to operators when hooking up equipment. These guides are cast from high strength steel and are easily installed by welding to the rear cross member. Drawbar Guides can be purchased individually (left or right sides only) and as a complete set. Check out the models listed below and the couplings they are …Custom Truck Accessories
Wear Gages
<span data-sheets-value="{"1":2,"2":"To determine wear limits, Premier Manufacturing created wear gages that help judge the useful life of couplings, pintle hitches, and drawbar eyes. Available as a complete kit or individually, these gages are easy to use and are a must for maintenance managers and safety personnel.\nIn accordance with Premier Manufacturing and the Federal Motor Carrier Safety Regulations, these were ...Below are the Compatible Drawbar Eyes, to see the full reference chart click here.
Additional information
Slack Reducing Series
Premier will be closed for the holidays from Wednesday, December 24th, 2025, through Friday, January 2nd, 2026. Regular operations will resume on Monday, January 5th. Click here to view contact information.

















